F943X電動盲板閥
產品概況
產品型號:F943X
公稱通徑:DN400~1800mm
公稱壓力:PN0.05~0.25MPa
適用溫度:≤450℃
適用介質:煤氣及有毒、有害、易燃氣體
主要材料:碳鋼、不銹鋼、硅橡膠
驅動方式:電動、液動、氣動、電液動
設計標準:API 600、API6D、ASME B16.34、GB/T 12234
結構長度:ASME B16.10、API6D、GB/T 12221
連接標準:ASME B16.5、ASME B16.47、GB/T 9113、JB/T 79、HG/T 20592
壓力試驗:API 598、GB/T 13927、JB/T 9092
壓力-溫度等級:ASME B16.34 、GB/T 12224
一、F943X電動盲板閥產品用途
百鋼閥門集團生產銷售的F943X電動盲板閥按GB6222《工業企業煤氣安全規程》的有關標準同時消化吸收國內外技術基礎上,研制開發的 新一代產品。廣泛適用于工礦企業、環境保護等行業的煤氣、有毒氣體介質管道中,作為可靠的切斷裝置。
二、F943X電動盲板閥結構特點
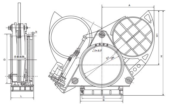
1、本閥由左右閥體、扇形閥板、不銹鋼波紋管、電動驅動裝置、電動夾緊裝置等部件組成;
2、閥體采用三點式鎖緊扇形閥板結構;
3、密封部位采用不銹鋼與橡膠密封圈,密封性能可靠,從而增加密封圈的使用壽命,密封圈設在閥板上,便于維護時更換密封圈。
4、電動操作、工作平穩、啟閉靈活、動作可靠;
5、夾緊動作采用絲桿螺母副進行夾緊,自鎖性好;
6、電動盲板閥設有不銹剛波紋管,具有伸縮性強、使用壽命長等到優點。
三、F943X電動盲板閥安裝及使用權說明
1、本閥安裝完畢后,應做支架固定閥門底座,在動作時閥門受力于支架上;
2、首先啟動電動夾裝置把左右閥體位移使之閥體和閥板完全脫離,再開啟閥板電動驅動裝置開啟或關閉,隨后再起動電動夾裝置, 檢查左右閥體是否緊貼在閥板上及電動驅動裝置動作時限位開關是否動作;
四、F943X電動盲板閥產品簡介
電動盲板閥,主要由左閥體、右閥體、閥桿、閘板、密封圈、電動推桿等零件組成,并由底座、支撐柱構成一個剛性結構體。密封部位采用不銹鋼與橡膠密封圈,密封性能好,使用壽命長,密封圈設置閘板上,易于維護時更換密封圈,橡膠密封圈鑲鉗在閘板上。電動推桿盲板閥可以單臺遠距離控制,亦可多臺聯網遠距離控制,非正常情況下還可以利用閥門本身裝置手動操作。
五、F943X電動盲板閥工作原理
1、由閥開啟到閥關閉:夾緊電機動作,帶動絲桿作逆時針轉動,閥體松開到位(指標燈顯示),驅動電機動作,帶動閘板作逆時針轉動到位,閘板關閉到位(指示燈顯示),夾緊電機動作,帶動絲桿作順時針轉動,閥體夾緊到位(指示燈顯示)完成閥門由開啟到關閉的全過程。
2、閥門由關閉到開啟:夾緊電機動作,帶動絲桿作逆時針轉動,閥體松開到位(指標燈顯示),驅動電機動作,帶動閘板作順時針轉動,閘板開啟到位, ( 指示燈顯示)完成閥門由關閉到開啟的全過程。
六、F943X電動盲板閥主要連接尺寸:

| DN | D | D1 | b | n-φd | L |
| 300 | 440 | 395 | 22 | 12-φ22 | 500 |
| 350 | 490 | 445 | 22 | 12-φ22 | 500 |
| 400 | 540 | 495 | 22 | 16-φ22 | 600 |
| 450 | 595 | 550 | 24 | 16-φ22 | 600 |
| 500 | 645 | 600 | 24 | 16-φ22 | 600 |
| 600 | 755 | 705 | 24 | 20-φ26 | 600 |
| 700 | 860 | 810 | 26 | 24-φ26 | 800 |
| 800 | 975 | 920 | 26 | 24-φ30 | 800 |
| 900 | 1075 | 1020 | 28 | 24-φ30 | 800 |
| 1000 | 1175 | 1120 | 30 | 28-φ30 | 800 |
| 1100 | 1275 | 1220 | 30 | 28-φ30 | 800 |
| 1200 | 1375 | 1320 | 30 | 32-φ30 | 800 |
| 1300 | 1475 | 1420 | 32 | 32-φ30 | 800 |
| 1400 | 1575 | 1520 | 32 | 36-φ30 | 850 |
| 1500 | 1675 | 1620 | 32 | 36-φ30 | 850 |
| 1600 | 1790 | 1730 | 32 | 40-φ30 | 850 |
| 1800 | 1990 | 1930 | 32 | 44-φ30 | 1100 |
| 2000 | 2190 | 2130 | 32 | 46-φ30 | 1100 |
溫馨提示:
本文中所有文字、數據、圖片均只適用于參考。需要查看更多的F943X電動盲板閥性能參數、結構尺寸參數、價格等詳情,或要求高質量印刷樣本,請聯系我們。